Оглавление
Код и значение

Обзор продукта
Контакторы переменного тока серии CJ19 марки ZHIMING специально разработаны для переключения шунтирующих конденсаторов в низковольтных системах компенсации реактивной мощности. Они надежно работают в сетях переменного тока 50/60 Гц с номинальным напряжением до 690 В. Эта серия широко применяется в системах распределения электроэнергии, конденсаторных батареях и устройствах автоматической коррекции коэффициента мощности.
Основные характеристики и преимущества
- Оптимизирован для переключения конденсаторов: встроенная конструкция обеспечивает безопасное и стабильное переключение емкостных нагрузок, снижая нагрузку на сеть.
- Подавление перенапряжений (опционально): при оснащении модулем подавления перенапряжений он эффективно контролирует пусковой ток при замыкании и подавляет перенапряжение при размыкании, продлевая срок службы конденсатора и системы.
- Высокая электрическая стойкость: Контактор, разработанный для частого использования, обеспечивает стабильную работу в промышленных условиях.
- Компактность и простота установки: Модульная конструкция обеспечивает быструю установку и интеграцию в компенсационные шкафы или панели управления.
- Надежная работа: Изготовлен в соответствии с международными стандартами (IEC/GB), что обеспечивает совместимость и безопасность.
Типичные области применения
- Шкафы компенсации реактивной мощности низкого напряжения.
- Системы автоматической коррекции коэффициента мощности (APFC).
- Промышленные распределительные щиты.
- Модули переключения конденсаторов на подстанциях.
Нормальные условия эксплуатации и установки
- Температура окружающей среды: от –5 °C до +40 °C; среднесуточная температура не должна превышать +35 °C.
- Высота над уровнем моря: место установки не должно находиться выше 2000 метров над уровнем моря.
- Влажность окружающей среды:
- При +40 °C относительная влажность не должна превышать 50 %.
- При более низких температурах допускается более высокая относительная влажность.
- В самый влажный месяц средняя максимальная температура не должна превышать +25 °C, а средняя максимальная относительная влажность в этом месяце не должна превышать 90 %.
- Учитывается периодическое образование конденсата вследствие колебаний температуры.
- Степень загрязнения: класс 3 (в соответствии со стандартами IEC).
- Категория установки: Класс III.
- Требования к монтажу:
- Наклон монтажной поверхности не должен превышать ±5°.
- Место установки должно быть свободно от сильных механических вибраций, ударов или значительных воздействий.
Стандарты соответствия
IEC 61869 – Стандарт для измерительных трансформаторов
Технические параметры
Руководство по выбору модели – Контакторы с конденсаторным переключением серии CJ19
| Модель | Номинальный ток (А) | Номинальное напряжение (V) | Емкость конденсатора (кВАр) | Типичное применение |
|---|---|---|---|---|
| CJ19-25 | 25 A | 380 / 400 V | 5 ~ 10 kvar | Небольшие блоки APFC, переключение одного конденсатора |
| CJ19-32 | 32 A | 380 / 400 V | 10 ~ 15 kvar | Распределительные коробки, небольшие промышленные системы |
| CJ19-43 | 43 A | 400 / 415 V | 15 ~ 20 kvar | Шкафы компенсации реактивной мощности |
| CJ19-63 | 63 A | 400 / 415 V | 20 ~ 30 kvar | Многоступенчатые конденсаторные батареи |
| CJ19-85 | 85 A | 400 / 415 V | 30 ~ 40 kvar | Системы коррекции коэффициента мощности среднего размера |
| CJ19-95 | 95 A | 400 / 415 V | 40 ~ 50 kvar | Промышленные шкафы APFC, модульная конструкция |
| CJ19-115 | 115 A | 400 / 690 V | 50 ~ 60 kvar | Компенсация тяжелых нагрузок |
| CJ19-150 | 150 A | 400 / 690 V | 60 ~ 75 kvar | Банки конденсаторов большой емкости |
| CJ19-170 | 170 A | 400 / 690 V | 75 ~ 100 kvar | Централизованное вознаграждение на фабриках |
Примечание: Фактическая емкость конденсатора может варьироваться в зависимости от уровня напряжения и гармонических условий.
Для сред с высоким содержанием гармоник рекомендуется использовать антигармонические реакторы или расстроенные реакторы.
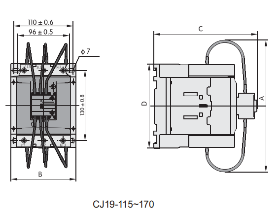
Технические характеристики и размеры


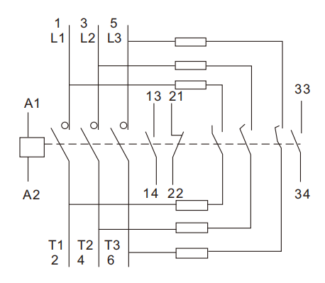
Схема подключения






